Преимущества и недостатки эхолота Практик ЭР-6 Pro
| Преимущества | Недостатки | |
| 1 | Компактность, легкость, экономныйрасход энергии при мощном процессоре. | Наличие 1 луча, а не двух. |
| 2 | Высококлассная чувствительность датчика,которую отмечают все владельцы. | Тугое нажатие кнопок, что осложняет работу в перчатках. |
| 3 | Качественный режим непосредственного отображенияподводного мира. | Отсутствие в комплектации специальных крепежей, которыебы не позволили эхолоту выпасть из рук. |
| 4 | Богатый функционал при такой лояльной цене. | Необходимость приобретения неудобного и громоздкого кронштейнадля стационарной установки на лодке. |
| 5 | Гибкий кабель датчика, который не боится самых сильных морозов(не ломается, не трескается, не становится “колом” на морозе) | Отсутствие удобных отделений в чехле для транспортировки. |
| 6 | Отличная работа балансира. | Небольшой экран (сейчас на всех устройствах всем хочется экрановпобольше). |
Эхолот Практик ЭР-6
Прежде всего, хочу сказать, что Эхолот Практик ЭР-6 будет полезен, в первую очередь, любителям дальних походов и зимней рыбалки. Этот, весьма, компактный и легкий по весу эхолот был разработан специалистами ООО «Практик-НЦ» из Зеленограда.
Следует отметить, что эхолот модели Практик ЭР-6 имеет еще и свою профессиональную версию — Практик ЭР-6 Pro. Яркой особенностью моделей эхолотов этого семейства является их четкая ориентированность для нормального функционирования в сильный мороз и в походных летних условиях. Экономичность работы данных приборов заключается в их способности стабильно работать в течение 150-200 часов от одной пальчиковой батарейки типа AA. Кроме того, эхолоты семейства Практик ЭР-6 снабжены высокоскоростным морозоустойчивым графическим дисплеем, имеющим разрешение 128х64 пкс. Этот дисплей отображает отличную картинку даже при ярком солнечном свете.
Помимо всего прочего, данный эхолот, весьма, прост в настройке, ведь для его управления и настройки используются всего две кнопки.
Так же, Практик ЭР-6 оборудован оригинальным датчиком-излучателем, совмещенным с батарейным отсеком. Именно эта особенность конструкции обеспечивает длительную эксплуатацию прибора при минусовой температуре. А в случае использования литиевой батарейки эхолот сохраняет свою работоспособность в течение 200 часов.
Хочу обратить ваше внимание на то, что эхолот ЭР-6 оснащен настоящим «суперкабелем». Яркой особенностью этого кабеля является способность оставаться эластичным и гибким даже при температуре –60 градусов
Следует отметить абсолютную герметичность корпусов всех эхолотов семейства Практик ЭР-6, что по достоинству оценят рыбаки
Следует отметить абсолютную герметичность корпусов всех эхолотов семейства Практик ЭР-6, что по достоинству оценят рыбаки.
Теперь о полезных функциях. Их широкое разнообразие дает возможность настроить эхолот Практик ЭР-6 под, практически, любые задачи как любителям, так и профессионалам рыбной SONY DSC ловли. В упрощенном виде на дисплее монитора отображаются донный рельеф и его структура. При этом, твердое дно будет отображаться на дисплее как широкая линия, а илистое как узкая. При попадании какого-либо предмета в сектор зондирования, удовлетворяющего установленным критериям, эхолот выводит его символ на определенной глубине на дисплей монитора, с подачей звукового сигнала
Хочу обратить ваше внимание на то, что тип звукового сигнала можно настроить в эхолоте под три разных размера рыбы
Вообще, эхолот Практик ЭР-6 Pro имеет много дополнительных полезных функций, в отличие от базовой модели. В частности, в нем реализована функция плавного усиления сигнала, выполняемая прямо с экрана дисплея. Кроме того, в данном эхолоте возможна активация функции автокалибровки, для повышения устойчивости прибора в особо сильный мороз или в летнюю жару.
Думаю, что для многих будет, весьма, полезна функция ZOOM, имеющаяся в эхолоте Практик ЭР-6 Pro. Особенность ее заключается в разделении экрана монитора эхолота на две половины. В левой будет отображаться общая информация по зондированию всего подводного сегмента от поверхности до дна, а правая половина выведет «сырую» информацию только по придонному слою водоема, что будет, весьма, полезно для сравнительного анализа.
Видео: настройка эхолота
Если говорить о встроенных режимах, то эхолот Практик ЭР-6 Pro имеет функцию ФЛЕШЕР. Активация этой функции переводит эхолот в режим быстрого зондирования. То есть, на экране дисплея вы будете наблюдать игру вашей снасти или реакцию рыбы на нее в реальном времени, а плавная настройка чувствительности даже даст возможность отслеживать поведение мормышки на значительной глубине.
Интересен тот факт, что семейство эхолотов Практик ЭР-6 не распугивает рыбу под водой своими акустическими сигналами. В отличие от зарубежных аналогов, эхолоты данного семейства изначально разрабатывались для работы на малых глубинах, до 25 метров, поэтому не имеют мощных акустических сигналов.
Эхолот модели Практик ЭР-6 способен хорошо функционировать как зимой, так и летом. Для крепления к лодке в комплекте эхолота есть специальная скоба и нет необходимости обязательно опускать датчик за борт. Вам достаточно налить на днище лодки немного воды и плотно установить в этом месте датчик. Если днище лодки не многослойное, то сигнал датчика, практически, пройдет через него без потерь.
Дополнительный функционал
Наличие масштабирования изображения на маленьком дисплее устройства считается чудом для всех рыбаков, которые приобрели себе «ЭР-6 Pro (эхолот) Практик». Отзывы по данному функционалу описывают массу достоинств. Во-первых, увеличение выбранного на устройстве участка сканирования. Очень удобно рассматривать неровности дна в поисках ям, где может укрываться хищник. К тому же данный функционал позволяет рассмотреть причины срабатывания датчика – часто при увеличении изображения можно увидеть косяки мелкой рыбы, которые изначально отображены были как бесформенный комок.

Режим «Глубиномер», который часто упускается рыбаками из виду, помогает определить точное расстояние до дна. Данный функционал востребован людьми, которые создают лоцманские карты дна водоёма. Ведь проще произвести замеры всего один раз, а потом, из года в год, искать места ловли по карте, а не прощупывать дно заново.
Отличия эхолотов Практик ЭР-6 Pro и ЭР-6 Pro 2
В первый раз после приобретения, как и с другими многофункциональными гаджетами, все начинают в нём разбираться методом тыка. Когда читаешь инструкцию, вроде понятно, но при переходе к практическим действиям почему-то так легко не выходит. Мгновенной настройки под пользователей не существуют. В первое время надо запомнить, какая кнопка (клавиша) выполняет определённую задачу. Например, на любой модели практик ЭР-6 Pro или ЭР-6 Pro 2, на блоке приёма, где находится дисплей, есть 2 кнопки:
- правая отвечает за включение и ввод данных,
- левая работает как курсор при выборе настроек меню и прокрутки других параметров в режиме установок.
Сразу, конечно, не получится, но со временем, когда наберётся значительный опыт, любой аппарат вы всегда подгоните под свои запросы и потребности. Несмотря на то, что они похожи друг на друга, всё же разница между ними есть. За последние десятилетия в нашу жизнь повсюду стали входить новые технологии, что стало влиять на все сферы жизни и на многие предметы быта и труда. Перемены коснулись и этих изделий. Стали применяться новые материалы, и это сразу повысило их возможности в разы. Если идти в холодный период – то лучше эхолота зимнего Практик ЭР-6 про 2 не найти. Потому что по своим техническим решениям он больше всего подходит к этой задаче.
- У процессора повышенная мощность.
- Автоподстройка и регулировка дисплея автоматическая.
- Обновилась прошивка (программное обеспечение устройства), добавились новые параметры в меню, изменился алгоритм, частота импульса постоянная 4 Гц.
Дополнительный видеоматериал Youtu.be/QZTvCwhJ_Bw.
Ну а если кто хочет поподробнее вникнуть в заводские критерии, то можете посмотреть всё на сайте разработчика rusonar.ru. Здесь можно скачать видеоролики, почитать в режиме онлайн документацию по моделям и, если надо, найти по эхолоту Практик про 6 инструкцию. Вот ссылка на материалы:
- rusonar.ru/upload/Instruction_er-6_er6pro.pdf,
- https://rusonar.ru/kak-rabotaet-ekholot/manual/,
- youtu.be/6VL9BD3AzFA видеоинструкция.
Эхолот нового поколения
Предыдущие модели, в отличие от «Практик ЭР-6 Pro2», были не столь практичными. Производители проработали много функций, которые были подвергнуты изменениям, а также появились новые. Новейший эхолот имеет ряд неоспоримых особенностей:
- Дисплей был изменен и стал энергосберегающим. Монитор оснастили автоматическим регулятором контрастности. Дисплей эффективно работает на морозе. Также улучшилась подсветка.
- Полиуретановый кабель имеет усиленную жилу, поэтому он стал морозоустойчивее и прочнее.
- Есть настройка увеличения или уменьшения чувствительности. Однако изобретатели снизили порог чувствительности от 64 шагов до 28. Это помогает охватить большую площадь дна водоема и показать все находящиеся там объекты. Сверхчувствительность сканирует рельеф дна только тонким лучом, следовательно, охват площади становится меньше, но отображаемая картинка — точнее. Поэтому такое изменение пойдет только на пользу рыбакам.
- Если по каким-либо причинам был поврежден полиуретановый провод, то в эту же минуту на дисплей придет сообщение о неисправности с последующей диагностикой.
- На прошлых моделях информация выводилась только текстовыми сообщениями, а «Практик ЭР-6 Pro2» теперь имеет графические рисунки, что повышает удобность эксплуатации.
- Эхолот оснащен дополнительной функцией о сведении устройства. Нажав на эту функцию, можно увидеть всю информацию: температуру изнутри корпуса, мощность батареи, сведения о производителе, наименование прошивки.
- На оборудовании появилась новая функция «Малая Вода», за счет которой можно обнаружить объекты на глубине 3 м. Датчик автоматически понижает чувствительность, охватывает большую площадь дна водоема и выводит на дисплей точную картинку.
- Если на прошлых моделях глубиномер показывал не только глубину, но и температуру, то сейчас температуру можно найти в режиме «Инфо». Также глубиномер подвергся некоторым полезным изменениям.
- Функция фильтрации помех была перенесена в основное меню, и для точной обработки информации появилось 6 значений.
- При выключении оборудования вся полученная информация автоматически сохраняется. Цифровая развертка составляет 4Гц — это оптимальный вариант.
Как отмечают опытные рыбаки, новая версия эхолота увеличила их улов во много раз.
Практик ЭР-6 Pro2
Снят с производства. Вместо него сейчас выпускают Практик 6М.
Эхолот Практик ЭР-6 Pro давно заслужил популярность как среди профессиональных рыбаков, так и среди любителей. Он занимает мало места, легкий, компактный. Им удобно пользоваться на зимней рыбалке. Новая модель данного эхолота Практик ЭР-6 Pro2 оборудована новым высокопрочным морозостойким эластичным кабелем.
Улучшенные функции (по сравнению с предыдущей моделью ЭР-6 Про):
- Отличная чувствительность, теперь на 30-40% выше, чем в ЭР-6 Про. Четко видит мормышку на глубине 20 метров.
- Вернули ФПО (6 уровней), но изменили его немного. Это типа степени чувствительности эхолота в целом. То есть чем ниже уровень ФПО, тем чувствительнее датчик эхолота. Например, на ФПО=4 мормышка на глубине 20 м практически не видна, а на ФПО=3 ее видно отлично. Также ФПО – это степень увеличения/уменьшения графического отображения объектов в ZOOMе (масштабировании). Например, если поставить уровень 2, то в ZOOM линия объекта (мормышки) будет широкой. Если поставить 3, то линия будет тоньше (уровень выбирается по желанию). Так как датчик все равно имеет свойство деградировать со временем и теряет чувствительность, то ФПО позволяет продлить ему «жизнь». То есть если на ФПО=3 эхолот уже слабовато видит мормышку, то можно поставить ФПО=2, и снова мормышка будет отображаться четко.
- Количество шагов чувствительности теперь 28 вместо 64.
- Из настроек убрали «Скорость проведения замеров». Теперь автоматически устанавливается 4 Гц.
- Морозостойкий, компактный и надежный дисплей.
- Качественная и малопотребляющая подсветка, которая равномерно освещает весь экран.
- Убрана регулировка контрастности экрана эхолота из меню. Контрастность теперь регулируется автоматически.
- Добавлен режим «ИНФО».
- В режиме «Глубиномер» отображается точная глубина и диаметр пятна эхолота на дне. Также улучшен алгоритм замеров глубины.
- Если эхолот перевести в режим «ЗИМА», то цифры индикации глубины будут показаны на темном фоне в черном квадрате (отличительный признак данного режима).
- Осуществляется диагностика датчика и кабеля (если датчик неисправен, плохо подсоединен или есть обрыв провода, то на экране появится сообщение «Датчик?»).
- Глухая зона теперь составляет 0.2 м, 0.5 м, 1 м, 1.5 м, 2 м.
- Улучшен механизм идентификации дна. Большие объекты теперь не будут восприниматься эхолотом за дно.
- При выходе из МЕНЮ измененные настройки запоминаются сразу, даже если вынуть батарейку.
- Алгоритм идентификации рыбы показывает более достоверные результаты.
Технические характеристики:
| Диапазон рабочих глубин | 0.5 — 25 метров |
| Излучатель | 1 луч (40°) |
| Дисплей | Разрешение 128х64 пикс., 5 см х 3 см |
| Электропитание | АА*1шт. (до 200 часов работы) |
| Габариты эхолота | 100х72х22 мм |
| Вес эхолота | 170 г |
| Температурный диапазон эксплуатации, | -20…+40 °C |
| Автоматическое переключение шкалы глубин | + |
| Функция обнаружения рыбы | + |
| Функция размер рыбы и ее глубина | + |
| Регулировка усиления | плавная, в рабочем режиме, 28 градаций |
| Детальное отображение придонного слоя (ZOOM) | регулируемый: 1, 2, 3 метра |
| Указатель плотности грунта | + |
| Регулировка «глухой» зоны | + |
| Режим «Зима» | + |
| Режим «FISH ID» | Обработанная информация, отображение контуров рыбы |
| Режим «Pro» | Необработанная информация, профессиональный режим |
| Режим «Флешер» | Необработанная информация в режиме реального времени |
| Режим «Мелководье (М.В.)» | Может работать на глубинах 0.5 — 2 метра |
| Режим «Глубиномер» | Измерение глубины с точностью ±1 см, в том числе в условиях мелководья и водной растительности |
| Демонстрационный режим | + |
| Режим «Инфо» | + |
| «След» эхолота на дне | на дне отображается диаметр пятна зондирующего луча |
| Отображение заряда батарейки | + |
| Звуковая сигнализация рыбы, подсветка дисплея, индикатор разряда батарейки | + |
| Официальная гарантия | 12 месяцев |
Функциональные особенности:
| Автоматическая диагностика датчика и кабеля | Да |
| 7 режимов отображения информации | Да |
| Отображение диаметра пятна эхолота на дне | Да |
| Режимы «Флешер», «Pro» | Да |
| Отображение структуры и индикация плотности дна | Да |
| Экономное энергопотребление (1 батарейка АА работает до 200 ч) | Да |
| Индикация и определение размера рыбы | Да |
| Сохранение настроек | Да |
Комплектация:
- Эхолот Практик ЭР-6Pro2
- Датчик эхолота
- Защитный силиконовый бампер + силиконовый чехол
- Скоба для крепления датчика
- Батарейка АА
- Инструкция на русском языке
- Официальный гарантийный талон
Эхолот – кому и зачем?
Эхолот – специализированный гидролокатор, разведывательное оборудование сканирования дна водоема, специфики рельефа, определения присутствия посторонних предметов и живых существ. Работа устройства основана на принципе эхолокации – наличие и форма объектов под водой выясняются при помощи звукового или радиосигнала, поданного передатчиком эхолота. Преобразованный сигнал по достижении бревна или другого предмета отражается от них, а приемник прибора «ловит» возвращенную волну, преобразует обратно в радиосигнал и выводит на дисплей сканирующего устройства полученное изображение.

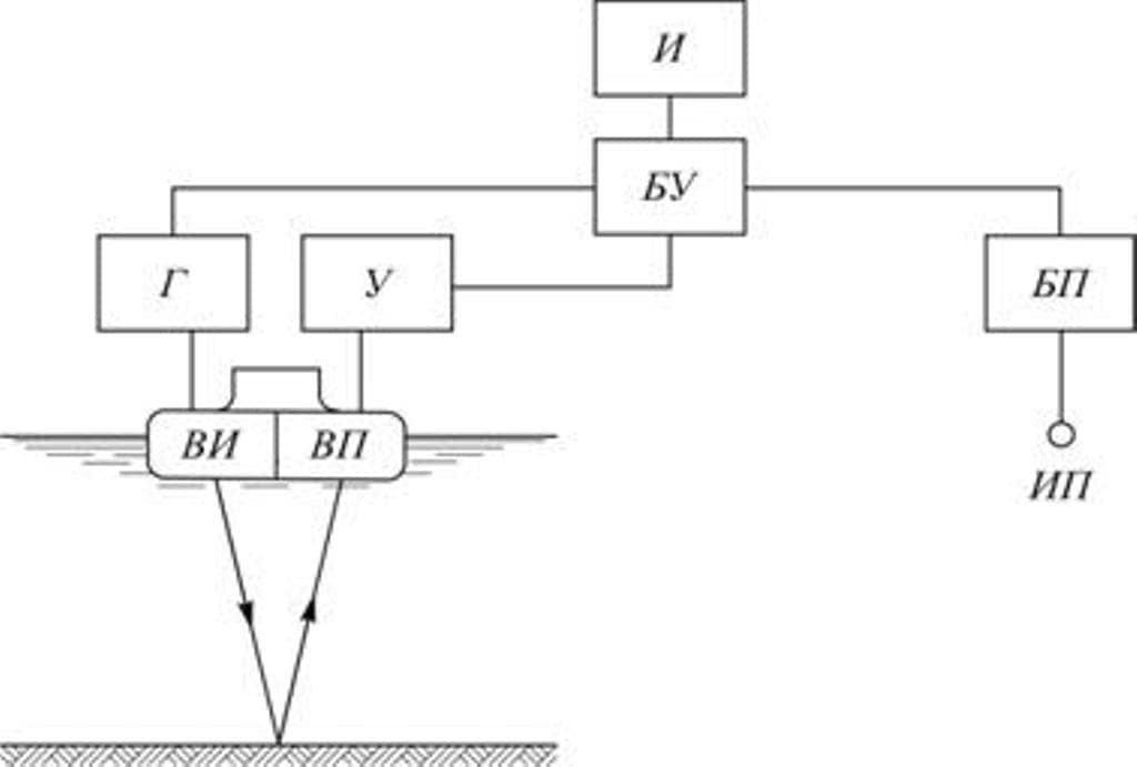
Схема работы эхолота
И – индикатор (дисплей)
Г – генератор сигнала
У – усилитель сигнала
БУ – блок управления
ВИ – вибратор (датчик) излучатель
ВП – вибратор-приемник
БП – блок питания
ИП – источник питания
Первоначально мощные гидролокаторы использовали в качестве пеленгатора военные моряки и лоцманы гражданских судов. Испытания показали, что рыба – такой же предмет, только непрерывно перемещающийся.
Прибор быстро получил признание и стал популярен среди:
- рыбаков.
- Дайверов.
- Яхтсменов.
- «Белых» и «черных» копателей.
Режимы работы
Для обнаружения рыбы пол лункой используется режим Fish ID. Пользователь выбирает размеры рыбы для отображения, и после этого на экране отобразятся рыбы.

В режиме Fish ID рыбы отображаются в различных слоях
В левой части экрана отображена история. В правой показан процесс сканирования в данный момент.
В режиме «Pro» отображается предварительная оценка дна без указания рыб. Эта функция подойдет для продвинутых рыболовов, которые могут сделать для себя полезные выводы.
В режиме «Флешер» эхолот показывает самый крупный объект, который он обнаруживает. Для проверки, как это работает, в лунку опустим большое грузило. На экране на одной половине отобразится глубина пребывания груза, а во второй половине – история его перемещений.

Слева отображена траектория перемещений объекта, справа – глубина его нахождения
Если играть мормышкой или каким-нибудь балансиром, то на экране отобразится точно такая же картина. Если включить демонстрацию рыб, то можно определить слой, на котором лучше всего выполнять блеснение.
В режиме глубиномера крупными цифрами показаны глубина с точностью до сантиметра, температура воды в районе нахождения датчика и уровень заряда устройства.

После использования прибора батарейку лучше изъять. В противном случае она будет медленно, но верно разряжаться. Прибор лучше поместить в специальный чехол.
Точность детекции, измерений и режимы работы эхолота
Прибор «Практик эр 6 Pro» имеет высокую степень точности измерений, что объясняется, прежде всего его встроенными функциями и дополнительными режимами.
Максимальная глубина сканируемого водоема 25 метров, минимальная 0.5 м. Использование этого прибора идеально в условиях мелководных рек и озер.
В случае изменения погодных или температурных условий, эхолот автоматически способен переключать глубину и яркость картинки.
В модели производителем заложена возможность плавного переключения мощность излучателя, что моментально отображается на экране эхолота в виде графики или колебаний индикации.
Эхолот «Практик эр 6 Pro» имеет все необходимые опции и функции для обнаружения рыбы, ее размера, количества и глубины нахождения.
Точность информации колеблется в пределах 1 см, отлично справляется с задачей в условиях повышенной заилистости, в случае водных помех (водоросли).
Эхолот безошибочно определяет грунт дна, его особенности, есть возможность увеличения излучения (функция «ZOOM»).
Режимы работы:
- «Fish id» — режим точного поиска рыбы. Установив этот режим, эхолот безошибочно определяет наличие рыбы в своем радиусе действия. Прибор разработан так, что не реагирует на неодушевленные предметы, точность определения 99%.
- «Fish Pro» — профессиональный режим, выдающий более полной информации, в неструктурном виде. Этот режим устанавливают, только «бывалые» рыбаки, для простого обывателя или рыбака-любителя информация будет непонятной.
- «Flasher» — в этом режиме эхолот воспроизводит на экран самый крупный объект, который попал в объектив. Это может быть приманка или грузило. Можно применить этот режим и для слежения за реакцией рыбы на вашу приманку. Режим позволяет увидеть очень четкое и точное изображение, за счет увеличенных импульсов, посылаемых в 1 секунду.
- «Глубиномер» — режим глубиномера необходим для точного определения глубины водоема. Также показывает остаток заряда батарее, температуру воды.
- «Демонстрация» — в этом режиме проверяют рабочее состояние эхолота. Проверку можно произвести дома, наличие воды не нужно, пол или другая твердая поверхность будет выполнять функции дня водоема.
- «Zoom» — позволяет более пристально увидеть картинку дна, в выбранном месте, включается нажатием 1 кнопки.
- «Чувствительность» — этот режим позволяет увеличить чувствительность и четкость показываемого изображения. Шкала чувствительности колеблется от 1 до 60 единиц, нажатием на правую кнопку увеличиваем до определенной цифры. Левой кнопкой снижаем чувствительность.
- «Подсветка». Режим подсветка включается путем длительного нажатия на левую кнопку.
Дополнительные настройки эхолота:
- Звук. По умолчанию, в стандартных настройках эхолота звук включен, но его можно отключить. Можно настроить разные мелодии, которые будут издаваться при приближении мелкой, средней или крупной рыбы.
- Установление глубины в ручном режиме. Этой настройкой пользуются в случае, если вы точно знаете на какой глубине будете рыбачить.
- Выбор опции «Зима-Лето» позволит более точно определять данные.
- Скорость обновления информации на экране. В дополнительных настройках есть возможность вручную выбрать скорость обновления данных, это позволит быть всегда в курсе «подводных событий».
- Яркость и контрастность дисплея.
- Настройка калибра датчика. Калибровка датчика необходима для получения более точных данных на определенном участке/лунке. Для этого вручную устанавливаете режим «Калибровка» и опускаете прибор в лунку, через минуту данные будут откалиброваны.
- «Глухая зона». Данная опция настраивается вручную и подходит для зимней рыбной ловли. В рыбалке, под «глухой зоной» называют расстояние от поверхности льда до воды. Опция позволяет установить «глухую зону» до 1.5 метра.
- ФПО, он же фильтр помех. Имеет 3 фильтра 0.3, 0.6 и 0.9. Под этими цифрами скрываются приблизительные габариты рыбы, если хотите ловить по-крупному установите датчик на 0.9, мелкая рыбешка будет не видна.
Функции эхолота «Практик эр- 6 Pro»:
- Ручное определение размера рыбы, с опцией ФПО.
- Автонастройка глубины.
- Показ состава дна.
- Обнаружение приближающейся рыбы.
- Звуковое оповещение о приближающейся рыбе.
- Регулировка контрастности для обнаружения «черного дна».
- Возможность рыбачить в зимнее время, в приборе используется специальный морозостойкий кабель способный выдерживать температуры до -60 градусов Цельсия.
- Подсветка и Демонстрация, предоставит проверить работоспособность прибора не выходя из дома.
- Режимы «Флешер», «Фиш ин» позволят более точно определять рыбу на глубине.
- Режим «Глубиномер» позволит наиболее точно установить максимально допустимую глубину для ловли рыбы.
Зимняя рыбалка
Рыбалка в зимний период времени. Большинство рыболовов отдают свое предпочтение рыбалке на льду, то есть рыбалке в зимний период времени. Итак, эхолот практик эр 6pro идеально подойдет и для таких людей. Его кабель выдерживает достаточно низкие температуры, которых не выдерживает большая половина бюджетных устройств. Не нужно бояться за то, что вот-вот во время рыбалки кто-то наступит на кабель и он переломается. Компания Практик не занимается производством некачественной продукции, это проверено на протяжении долгих лет.
У всех приборов есть какие-то недостатки. Данный зимний эхолот имеет два недостатка, но оба они являются несущественными:
- На сильном морозе устройство замерзает и выключается;
- На сильном морозе сонар перестает работать на глубине менее пяти метров.
Оба недостатка касаются зимней рыбалки. Зимний эхолот практик эр 6pro необязательно все время держать в руках. Его можно на время рыбалки прятать в карман, чтобы предотвратить его отключение. На крайний случай можно самостоятельно сделать для него какой-либо утеплитель. Тогда его не нужно будет и прятать. Второй недостаток исправить практически невозможно. Помимо минимальной глубины, в сильный мороз появляется огромная погрешность определения рельефа дна и местоположения рыбы. Пользовательские отзывы говорят о том, что лучше воздержаться от работы с устройством в сильный мороз. В летнюю погоду рыбалка с ним не вызывает абсолютно никаких проблем.
Ниже представлены отзывы некоторых клиентов.
Управление и настройка эхолота

Управление эхолотом осуществляется двумя кнопками. Для некоторых рыболовов такой вид управления покажется сложным. Но со временем все, приобретшие данный эхолот, быстро привыкают к пользованию всего двумя кнопками. Одна переключает режимы, вторая – делает выбор опции, которая понадобилась.
Перед тем, как начать пользоваться прибором, рекомендуют изучить инструкцию. Это позволит с легкостью использовать эхолот. После изучения инструкции требуется настроить аппарат.
Последовательность настройки:
- Вставить батарею в устройство, включить его. Элемент питания вставляется в блок (в специальный контейнер).
- Опустить датчик в воду. Информация отразится на дисплее.
- Нажатие кнопки справа даст возможность войти в меню. Повторное нажатие отобразит основные режимы.
- Выбрать режим «Pro» — на мониторе отобразится картинка. Опция «Fish ID» поможет найти рыбу.
- Сопоставить глубину. У берега до дна опустить палку. Например, глубина будет 2 м 10 см. Затем нужно проверить, совпадет ли проведенное измерение с показателями эхолота. В случае одинаковых показаний аппарат считают работоспособным.
- Настроить другие опции: контрастность, режим «Малая вода» и т.д.
Как пользоваться эхолотом
Для функционирования эхолоту нужна электроэнергия. Прибор этой модели — портативный. Следовательно, работает от аккумулятора. В данном случае — это одна батарейка типа АА. Становить источник питания нужно в отсек, указанный в инструкции к Эхолоту Практик 6S. После установки батарейки и проверки целостности всех соединений конструкции можно приступать к работе.
Система эхолота Практик 6S имеет семь предустановленных режимов работы:
• Демо. В этом режиме можно оценить общую работоспособность системы без погружения датчика в воду.
• Инфо. В этом режиме на экран выводится сводная информация о приборе.
• Fish-ID. Это тот режим, ради которого чаще всего и удобно купить Эхолот Практик 6S — режим обнаружения рыбы. В этом режим эхолот проводит автоматический поиск рыбы согласно заложенному в систему протоколу и выводит информацию в виде графического изображения с условным изображением рыбы и её размера (малый, средний, крупный). Fish-ID хорошо подходит для новичков в рыболовецком ремесле.
• Флешер. Это же режим не для новичков, здесь нужен опыт и умение оперативно анализировать информацию самостоятельно. Информация выводится на дисплей в режиме реального времени без обработки системой. Автоматический режим удобнее, но в флешер-режиме можно увидеть реакцию рыбы (например, на иглу снасти).
• Pro. Это режим для продвинутых пользователей, во многом схожий с Флешером. Но в режиме Pro предоставляется более подробная информация. Следовательно, нужно больше знаний, чтобы самостоятельно её проанализировать.
• Мелководье. Это опция для рыбалки на мелкой воде — от 0,5 м до 2 м.
• Глубиномер. В этом режиме эхолот показывает общую глубину водоёма.
В любой момент использования доступно переключение между режимами. На получении информации при этом может потребоваться какое-то время.
Беспроводной эхолот Практик 7 RF Универсал
Приобретая эхолот Практик 7 RF Универсал, вы получите возможность узнать рельеф, плотность грунта, есть ли рыба в водоеме и его глубину. Беспроводной датчик Маяк возможно закрепить на леске/шнуре спиннинга/удилища и использовать с берега. Проводной датчик поможет рыбачить зимой при сильном морозе и при льде, толщиной более 20 см. Также он поможет рыбачить с лодки (желательно приобрести специальную струбцину). При подключении проводного датчика соединение с «Маяком» невозможно!
Трансдьюстер работает как с смартфоном, так и с блоком 7RF через связь Bluetooth 4.0 (но не одновременно). Дальность соединения — до 120 метров. «Маяк» автоматически включается при соприкосновении с водой и имеет устойчивый сигнал в любую погоду. Прибор может использоваться как для зимней, так и летней рыбалки с лодки. Используется сонарная технология, которая посылает в воду звуковые волны. Отражающиеся эхо отображается на дисплее, создавая аккуратную картину подводного мира, включая дистанцию до подводных объектов, дна, рыбы и структуры.
Рыбопоисковый прибор конструктивно выполнен в виде двух блоков: электронного и блока датчика-преобразователя. Используется усиленный однолучевой датчик 35 градусов. Предусмотрен режим «флэшер», рекомендованный для подледной рыбалки. Черно-белый высококонтрастный экран передает четкую картинку даже в самый яркий солнечный день. 7 режимов отображают информацию на экране. Влагозащитный корпус надежно защищает прибор от проникновения пыли, грязи и влаги. Множество режимов/опций помогут настроить эхолот под ваш определенный тип рыбалки, будь как с лодки, так и с берега, зимой и летом.
| Характеристики беспроводного эхолота Практик 7 RF Универсал: | |
| Глубина | от 0.5 до 25 м. (точность измерения +-1 см. для глубин 0.5-10 м. и +-10 см. для глубин от 10-25 м.) |
| Тип излучателя, угол зондирования | 1 луч (35 градусов) |
| Экран | монохромный, высококонтрастный, морозостойкий разрешение 128×64 пикс. (5×3 см) |
| Питание датчика | от USB-microUSB |
| Питание эхолота | от USB-Jack 3.5 |
| Герметичность блока | IP67 (брызги, дождь..). Легкий, ударопрочный, герметичный (невозможно утопить) |
| Герметичность датчика | IP68 (полное погружение) |
| Вес «Маяка» | 95 гр. |
| Рабочая температура | от -20 до +40 C |
| Габариты электронного блока | 100 х 72 х 23 мм. |
| Диаметр датчика Маяк | 67 мм. |
| Дальность соединения | до 120 м. |
| Время работы Маяка от одной зарядки | до 25 часов |
| Время работы блока «Практик 7 RF» | до 40 часов |
| Зарядка по времени | Супер ускоренная зарядка (15 мин. зарядки дают 3.5 часа работы) |
| ЭКО-режим | особый «Эко-режим» не отпугивает рыбу |
| Соединение Маяка с эхолотом или смартфоном | Bluetooth |
| Автоматическая переключение шкалы глубины | есть |
| Функция обнаружения рыбы | есть |
| Функция размер рыбы и ее глубина | есть |
| Регулировка усиления | главная, в рабочем режиме, 28 градаций |
| Детальное увеличение придонного слоя (Zoom) | регулируемый: 1,2,3 метра |
| Указатель плотности грунта | есть |
| Регулировка «глухой» зоны | есть |
| Функция «Зима» | есть |
| Режим «Fish ID» | обработанная информация (данный режим предназначен для не очень опытных пользователей) |
| Режим «Pro» | не обработанная информация («сырые» данные дают больше информации для размышление о состояние водоема, режим рекомендован для опытных пользователей) |
| Флэшер | есть (необработанная информация в режиме реальном времени, режим предназначен для наблюдения за игрой снасти и за тем, как рыба реагирует на игру мормышки/воблера) |
| Режим мелководья | есть (глубина 0.5-2 м.) |
| Глубиномер | есть (точность измерения +-1 см. для глубин 0.5-10 м. и +-10 см. для глубин от 10-25 м.) |
| Демо | проверка работоспособности прибора |
| Режим «Инфо» | есть |
| След эхолота на дне | на дне отображается диаметр пятна зондирующего луча |
| Звуковая сигнализация рыбы | есть |
| Подсветка дисплея | есть |
| Световая индикация | для удобства отслеживания состояния работы эхолота |
| Индикатор разряда батареи | есть |
| Авто калибровка | автоматическая настройка характеристик эхолота к постоянно изменяющимся погодным условиям и условиям водной среды |
| Встроенный магнит | Встроен в блок, метка на лицевой панели |
| Комплектация 7РФ Универсал: | |
| Эхолот «Практик» | |
| Беспроводной датчик «Маяк» Bluetooth | |
| Стабилизатор | |
| Проводной датчик для зимних условий | |
| Зарядка USB-mircoUSB для «Маяка» | |
| Зарядный кабель USB-Jack3.5 для блока «Практик 7 RF» | |
| Крепежные винты для «Маяка» | |
| Двойной магнит для проверки эхолота на воздухе (встроен в прибор) | |
| Защитный бампер | |
| Паспорт и инструкция на русском языке | |
| Крепление смартфона или эхолота Практик 7RF, 7 RF Универсал на спиннинг/удилища. | |
| Магнитный фиксатор позволит удобно расположить экран перед глазами рыбака, а также минимизирует вероятность падения прибора в лунку. | |
| Специальная струбцина зафиксирует держатель датчика эхолота на транце вашей лодки. |
Проблемы на зимней рыбалке
В холодный период ЭР-6 Pro может преподнести неприятный сюрприз – взять и не включиться. О бесперебойной работе при -20°С речь вообще не идет. На морозе жидкокристаллический дисплей самопроизвольно отключается, а источник питание вдвое быстрее теряет свой ресурс. Именно поэтому производитель прописал в инструкции четкие рекомендации по использованию эхолота зимой. При слишком низких температурах держать его лучше во внутреннем кармане куртки или в перчатке и ориентироваться по звуковым сигналам. Зато сонар и соединительный провод холода не боятся, допустимо даже обледенение этих элементов прибора.




































